Testumgebung!
0
Meine Sammelanfrage-Produkte

Noch keine Produkte hinzugefügt

Zur Sammelanfrage

Produktinformationen

All-IN-ONE Energiemonitoring Lösung - Hochverfügbare datensichere Kommunikation 

Ein wesentlicher Erfolgsfaktor moderner Unternehmen ist die Transparenz über alle Datenebenen hinweg. Die Aufnahme und Zusammenführung der Daten aller Unternehmensbereiche ist notwendig, um Planungen für z. B. Produktionsprozesse zu optimieren, Sicherheitsmaßnahmen zum Schutz von Anlagen und Maschinen zu etablieren und Kosten einzusparen. 

Dieses Ziel ist mit vielen Herausforderungen verbunden, denn unterschiedliche Standards, Schnittstellen und Kommunikationsmöglichkeiten müssen aufeinander abgestimmt werden. Die Vernetzung zuvor isoliert betrachteter Bereiche, von der Maschinenebene, über ERP-Systeme bis hin zur Gebäudeleittechnik gestaltet sich sehr aufwändig. OPC UA ist eine Standardisierung der Datenübertragung, die diese Zusammenführung vereinfacht. 

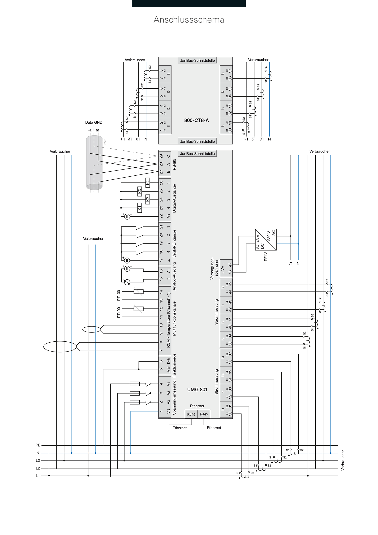
Das Janitza Energiemessgerät UMG 801 bietet diverse Kommunikationsschnittstellen und ermöglicht eine direkte Datenübertragung via OPC UA an übergeordnete Systeme, wodurch eine kostspielige Integration entfällt. 

Zur kompletten Erfassung eines Energiemanagementsystems (nach ISO 50001) ist das modular erweiterbare UMG 801 optimal geeignet. Sie erhalten Transparenz über die Ennergieverbräuche und Energiekosten aller Messebenen. Darüber hinaus können kritische Abweichungen der Spannungsqualität sowie Differenzströme (RCM), die Anlagen belasten oder sogar gefährden, aufgedeckt werden. 

Zukunftssichere Investition: eine nachträgliche Erweiterung der Messstellen auf bis zu 92 Messkanäle ist durch einfach integrierbare Strommessmodule gewä̈hrleistet.


Modular erweiterbares Energiemessgerät UMG 801 zum Aufbau eines Energiemonitoring-Systems mit OPC UA Schnittstelle Hutschieneneinbaugerät

  • 145 x 90 x 76 mm (BxHxT) Versorgungsspannung: Externe Versorgungsspannung 24 V DC Messung in TN-, IT und TT-Netzen Messung von Oberschwingungen bis zur 127. Messdatenspeicher (4 GB) 
  • 3 Spannungsmesseingänge Messkategorie: 1000 V CAT III 
  • Messung in 3-Phasen 4-Leitersystemen bis 480 V/830 V (+-10%) nach IEC 
  • Messung in 3-Phasen 3-Leitersystemen bis 690 V (+-10%) 8 Strommesseingänge, aufgeteilt in 2 Viererblöcke 
  • Messkategorie: 300V CAT II 
  • Nennstrom 5A / 1A einstellbar 
  • Strommessbereich: 5 mA... 6 A 
  • Auflösung: 0,1mA 4 
  • Multifunktionseingänge Wahlweise konfigurierbar als Differenzstromeingänge, Temperatureingänge oder Strommesseingänge 
  • Peripherie 4x Digitale Eingänge 4x Digitale Ausgänge 1x Analog Ausgang 2x Ethernet RJ45 
  • Zubehör (inklusiv): 33.03.376 Installationsanleitung inkl. Sicherheitshinweise 52.31.205 Busverbinder Basisgerät (bereits aufgesteckt) 10.01.953 Endwinkel 
  • Programmiersoftware „ GridVis Essential” download: www.janitza.de/gridvis-download.html
Eigenschaften
Typ: UMG 801
Schnittstelle: Ethernet, Modbus-Gateway, Modbus RTU, Modbus TCP/IP, RS485, USB 2.0
Schutzart: Gehäuse IP 20
Versorgung: 24 - 48 VDC extern
Umgebungstemperatur: -10 - +55 °C