Testumgebung!
0
Meine Sammelanfrage-Produkte

Noch keine Produkte hinzugefügt

Zur Sammelanfrage

Produktinformationen

Klasse A Spannungs­qualitäts­analysator

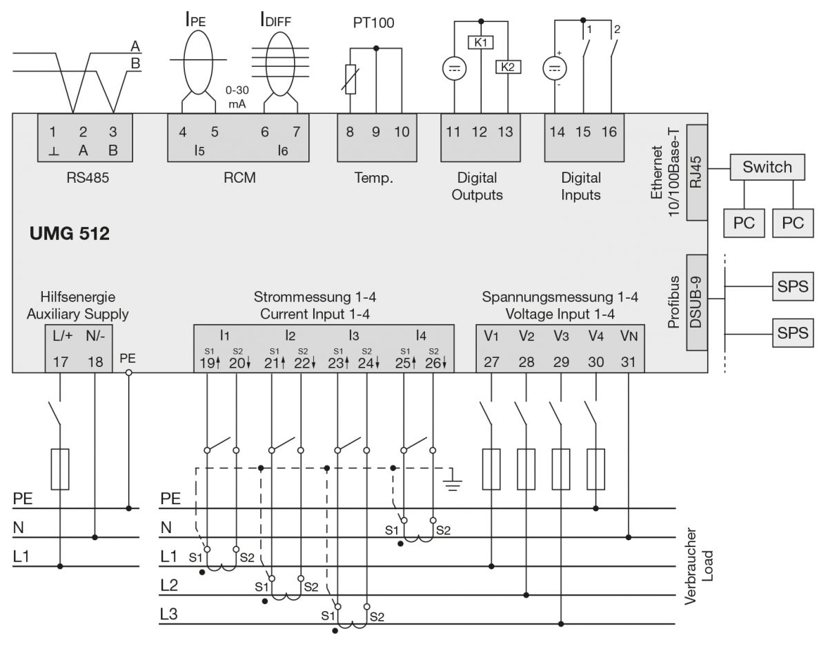
Der Spannungsqualitätsanalysator UMG 512-PRO (Klasse A) misst sämtliche Spannungsqualitätsparameter (z.B. OS bis zur 63., Flicker, Kurzzeitunterbrechungen etc.) und dient zusätzlich als Differenzstrom-Überwachungsgerät. Im Gegensatz zum UMG 511 besitzt es einen Temperatureingang. Das Gerät orientiert sich an den gängigen Normen, z.B. der EN 50160, IEEE519 oder der EN 61000-2-4. Das UMG 512-PRO hat jeweils zwei digitale Ein- und Ausgänge.


Merkmale

Klasse A
Messgeräte der Klasse A sind gemäß der Norm IEC 61000-4-30 zertifiziert. Sie liefert detaillierte Vorgaben, die ein Netzanalysator erfüllen muss, damit die Resultate auch in Streitfällen hinzugezogen werden können.
Die Norm definiert die notwendigen Parameter, geeignete Messmethoden, Genauigkeit und Bandbreiten. So lassen sich Ergebnisse problemlos reproduzieren und vergleichen.

Spannungsqualität
Das zuverlässige Betreiben moderner Anlagen und Systeme setzt immer eine hohe Versorgungszuverlässigkeit und gute Spannungsqualität (Power Quality) voraus.
UMG-Messgeräte erfassen, analysieren und dokumentieren zuverlässig alle Störgrößen, wie Oberschwingungen, Unsymmetrien, Transienten, Spannungseinbrüche, Überspannungen, Flicker, Phasenverschiebung und Blindleistung.

Residual Current Monitoring (RCM)
Eine leitungsfähige RCM-Differenzstromüberwachung erfasst Fehlerströme bereits im Anfangsstadium, bevor sie zu Anlagenausfällen oder gar Bränden führen. In bestimmten UMG-Messgeräten ist sie bereits integriert. Die benötigten RCM-Messstromwandler können bei Bedarf selbst nachträglich montiert werden.
Eine kontinuierliche RCM-Überwachung erhöht die Anlagensicherheit und Verfügbarkeit wesentlich. In bestimmten Anwendungen wie Rechenzentrum, ist aufgrund der Anforderungen für Hochverfügbarkeit, die Differenzstromüberwachung zwingend erforderlich.

Messgeräte-Homepage
Der Webserver auf dem Messgerät stellt die unterschiedlichsten Daten in übersichtlicher Form zur Verfügung. Der Anwender braucht keinerlei Software auf seinem PC zu installieren, ein handelsüblicher WEB-Browser ist ausreichend. Der User gibt die Messgeräte IP-Adresse in das URL Fenster des Browsers ein und die Messgeräte-Homepage erscheint auf dem Bildschirm. Zusätzlich zu der modern gestalteten Homepage sind auch noch APPs für einen erweiterten Funktionsumfang erhältlich.

Ethernet-Modbus-Gateway
Über das Ethernet-Modbus-Gateway lassen sich Modbus-RTU-Geräte, die als Slaves an das Master-Gerät angebunden werden, sehr einfach in eine Ethernet-Architektur einbinden. Bei Geräten mit identischem Dateiformat und übereinstimmenden Funktionscodes ist dies direkt über die Modbus-RTU-Schnittstelle möglich.

BACnet
BACnet ist einer der wichtigsten Kommunikationsstandards für die Gebäudetechnik, vor allem wegen seiner Kompatibilität mit unterschiedlichster Hardware und der einheitlichen, herstellerübergreifenden Kommunikation.
Sobald ein UMG-Messgerät seine BACnet-ID bekommen hat und im Netzwerk integriert ist, wird es vom System erkannt und im Browser dargestellt. Das macht die Konfiguration sehr einfach.

Spannungsqualität

  • Oberschwingungsanalyse bis zur 63sten Harmonischen, gerade / ungerade (U, I, P, Q)
  • Zwischenharmonische (U, I)
  • Verzerrungsfaktor THD-U / THD-I / TDD
  • Messung von Mit-, Gegen- und Nullsystem
  • Unsymmetrie
  • Richtung Drehfeld
  • Spannung Crestfaktor
  • Flickermessung nach DIN EN 61000-4-15
  • Erfassung und Speicherung von Transienten (> 39 µs)
  • Kurzzeitunterbrechungen (ab 10 ms)
  • Anlaufvorgänge überwachen

Hochwertige Messung

  • Kontinuierliche Echteffektivwertmessung (True-RMS)
  • Messverfahren gemäß IEC 61000-4-30
  • Zertifizierte Messgenauigkeit nach Klasse A
  • Kontinuierliche Abtastung der Spannungs- und Strommesseingänge mit 25,6 kHz je Kanal
  • 512 Messpunkte pro Periode
  • Aufnahme von mehr als 2.000 Messwerten pro Messzyklus
  • Messgenauigkeit der Wirkarbeit: Klasse 0,2S
  • Ultraschnelle Messung erlaubt selbst die Erfassung von schnellen Transienten ab 39 µs
  • Erfassung von Strömen und Spannungen (15 – 440 Hz)

RCM-Differenzstromüberwachung

  • Kontinuierliche Überwachung von Differenzströmen (Residual Current Monitor, RCM)
  • Definieren eines Digitaleingangs bei Überschreitung des Ansprechwerts einer elektrischen Anlage
  • Zeitnahe Reaktionsmöglichkeit zur Einleitung von Gegenmaßnahmen
  • Permanente RCM-Messung für Anlagen im Dauerbetrieb ohne Abschaltmöglichkeit
  • Ideal für den ZEP (Zentraler Erdungspunkt in TN-S-Systemen)

BACnet-Protokoll für die Gebäudekommunikation

  • Optimale Interoperabilität zwischen Geräten verschiedener Hersteller
  • Vordefinierte BIBBs (BACnet Interoperability Building Block)
  • BACnet wird beim UMG 512 optional angeboten
  • Das UMG 512 unterstützt den Devicetyp B-SA mit den BIBBs DS-RP-B und DS-WP-B
  • Zusätzlich werden BIBBs DS-COV-B und DM-UTC-B unterstützt

Umfangreiche Kommunikations- und Anbindungsmöglichkeiten

  • 4 Spannungs- und 6 Strommesseingänge
  • 2 digitale Eingänge, z.B. als Datenlogger für S0-Zähler
  • 2 digitale Ausgänge zur Alarmmeldung oder z.B. Anbindung an eine GLT oder SPS
  • Modbus
  • Profibus
  • Ethernet (TCP/IP)
  • Digitale IOs (inkl. freier Namensgebung)
  • BACnet (optional)
  • Konfigurierbare Firewall

Moderne Kommunikationsarchitektur über Ethernet

  • Einfache Integration in ein Ethernet-Netzwerk
  • Zuverlässiger und kostenoptimierter Kommunikationsaufbau
  • Ideal für Master-Slave-Strukturen
  • Hohe Flexibilität durch die Nutzung offener Standards
  • Integration in SPS-Systeme und GLT durch zusätzliche Schnittstellen
  • Diverse IP-Protokolle: SNMP, ICMP (Ping), NTP, FTP …
  • Bis zu 4 Ports simultan

Programmierung / SPS-Funktionalität

  • Weiterverarbeitung der Messdaten im Messgerät (lokale Intelligenz)
  • Überwachungs- und Alarmfunktionen einfach programmierbar
  • Nachhaltige Funktionserweiterungen weit über die reine Messung hinaus
  • Umfangreiche Programmiermöglichkeiten mit Jasic®-Quellcode-Programmierung
  • Grafischer Programmierung
  • Fertige APPs aus der Janitza Bibliothek

Großer Messdatenspeicher

  • 256 MB Datenspeicher
  • Speicherreichweite bis zu 2 Jahren (konfigurationsabhängig)
  • Individuell konfigurierbare Aufzeichnungen
  • Aufzeichnungs-Mittelungszeiten frei wählbar
  • PQ-Aufzeichnungstemplates für Standardnormen (z.B. EN 50160) vorkonfiguriert
  • Benutzerdefinierte Speichersegmentierung möglich

Alarmmanagement

  • Informationen sofort per E-Mail erhältlich
  • Über die leistungsfähige Gerätehomepage das Wartungspersonal informieren
  • Alarm über digitale Ausgänge, Modbus-Adressen, GridVis®-Software möglich
  • Programmierung über Jasic® oder grafische Programmierung
  • Weitere Alarmmanagement-Funktionen über das GridVis®-Service-Alarmmanagement

Spitzenlastdarstellung und Spitzenlastmanagement

  • Darstellung der 3 höchsten Monatsleistungsspitzen auf dem LCD-Display (P, Q, S)
  • Rollierende Balkendiagramm-Darstellung der Spitzenleistungswerte über 3 Jahre auf dem LCD-Display (P, Q, S)
  • Klartextdarstellung auf dem LCD-Display (P)

APPs – Smarte Funktionserweiterungen direkt „on Board“

Mit Hilfe von APPs werden die Janitza-Messgeräte um neue Funktionen erweitert. Alle APPs können mit dem Geräte-Manager (Bestandteil der GridVis®) und über Ethernet angeschlossene Geräte übertragen werden – auf nur ein Gerät oder simultan auf mehrere Messgeräte.

Janitza stattet die PRO-Serie mit APPs aus, um die Leistungsfähigkeit der Messgeräte zu erhöhen. Durch die Verbindung der Messgeräte, APPs und Software sind die Messdaten leichter interpretierbar und stehen dem Nutzer jederzeit und an jedem Ort zur Verfügung. Zeit- und kostenintensive manuelle Berechnungen werden somit vermieden.

Die APPs erweitern z.B. die Analyse- und Visualisierungswerkzeuge, mit denen Spannungsereignisse gemäß „IEC 61000-2-4“ und auch „EN 50160“ analysiert und auf der geräteeigenen Homepage wiedergegeben werden können. Einfache Darstellungsmöglichkeiten (z.B. Ampelfunktion) machen Fehler frühzeitig sichtbar. So kann zeitnah eingegriffen und Betriebsprozesse können unterbrechungsfrei fortgeführt werden.

Zudem ist es möglich, weitere Funktionsmodule zu implementieren, die Grenzwerte überwachen und Störmeldungen per EMail versenden.


Kommunikation

  • Profibus (DP/V0)
  • Modbus (RTU, TCP, Gateway)
  • TCP/IP
  • BACnet (optional)
  • HTTP
  • FTP (File-Transfer)
  • TFTP
  • NTP (Zeitsynchronisierung)
  • SMTP (E-Mail-Funktion)
  • DHCP
  • SNMP

Schnittstellen

  • Ethernet
  • Profibus / RS485 (DSUB-9)
  • RS485 Modbus (Klemmleiste)

Messgenauigkeit

  • Arbeit: Klasse 0,2S (... / 5 A)
  • Strom: 0,1 %
  • Spannung: 0,1 %

Spannungsqualität

  • Oberschwingungen bis zur 63sten Harmonischen, gerade / ungerade
  • Flickermessung
  • Kurzzeitunterbrechungen (ab 10 ms)
  • Transientenrekorder (> 39 μs)
  • Einschaltströme (> 10 ms)
  • Unsymmetrie
  • Halbwellen-Effektivwertaufzeichnungen (bis zu 11 Min.)
  • Ereignisse in Wellenform darstellbar

Netze

  • IT-, TN-, TT-Netze
  • 3- und 4-phasige Netze

Messdatenspeicher

  • 256 MByte Flash
  • 32 MB SDRAM

Programmiersprache

  • Graphische Programmierung
  • Jasic®-Programmiersprache
  • SPS-Funktionalität

2 digitale Eingänge

  • Impulseingang
  • Logikeingang
  • Zustandsüberwachung
  • HT / NT-Umschaltung

2 digitale Ausgänge

  • Impulsausgang kWh / kvarh
  • Schaltausgang
  • Grenzwertausgang
  • Logikausgang

(über externe I/O-Module erweiterbar)

RCM - Residual Current Monitoring

  • 2 Differenzstromeingänge

Temperaturmesseingang

  • PT100, PT1000, KTY83, KTY84

Netzvisualisierungssoftware

  • Kostenfreie GridVis®-Basic

Eigenschaften
Typ: UMG