Testumgebung!
0
Meine Sammelanfrage-Produkte

Noch keine Produkte hinzugefügt

Zur Sammelanfrage

Produktinformationen

Hauptmerkmale

Spannungsqualität

Das zuverlässige Betreiben moderner Anlagen und Systeme setzt immer eine hohe Versorgungszuverlässigkeit und gute Spannungsqualität (Power Quality) voraus. UMG-Messgeräte erfassen, analysieren und dokumentieren zuverlässig alle Störgrößen, wie Oberschwingungen, Unsymmetrien, Transienten, Spannungseinbrüche, Überspannungen, Flicker, Phasenverschiebung und Blindleistung.

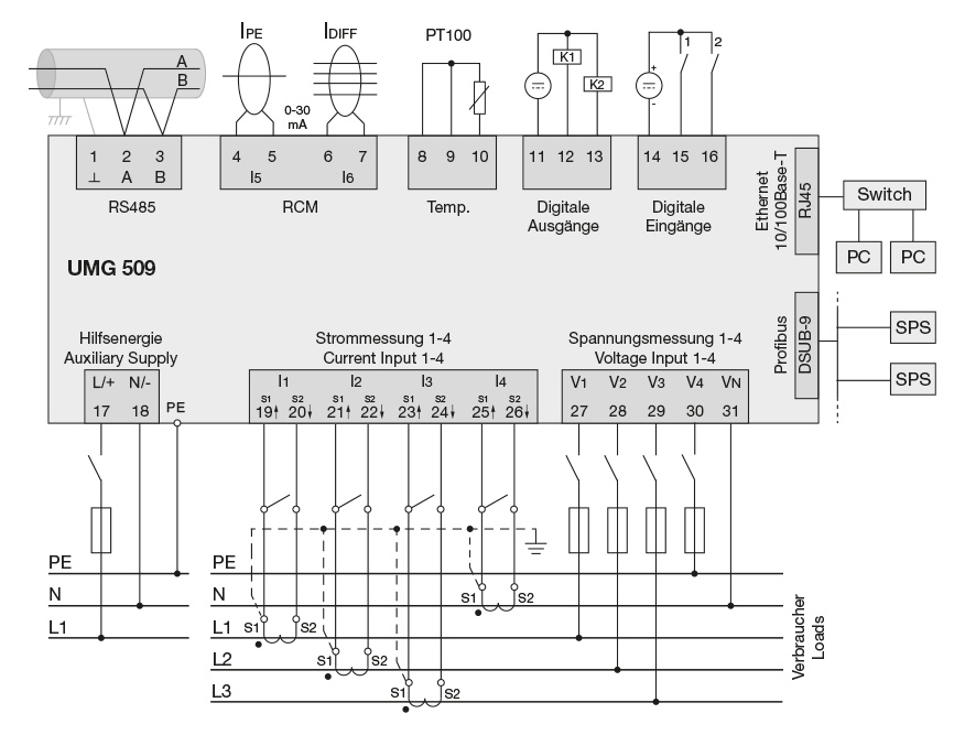
RCM

Eine leitungsfähige RCM-Differenzstromüberwachung erfasst Fehlerströme bereits im Anfangsstadium, bevor sie zu Anlagenausfällen oder gar Bränden führen. In bestimmten UMG-Messgeräten ist sie bereits integriert. Die benötigten RCM-Messstromwandler können bei Bedarf selbst nachträglich montiert werden. Eine kontinuierliche RCM-Überwachung erhöht die Anlagensicherheit und Verfügbarkeit wesentlich. In bestimmten Anwendungen wie Rechenzentrum, ist aufgrund der Anforderungen für Hochverfügbarkeit, die Differenzstromüberwachung zwingend erforderlich.

Oberschwingungen

Oberschwingungen entstehen durch Betriebsmittel mit nichtlinearer Kennlinie, wie z.B. in Sättigung betriebene Transformatoren, Energiesparlampen, Frequenzumrichter und Leistungselektronik. Sie belasten das Netz durch zusätzliche Ströme und können Betriebsmittel beeinflussen oder sogar zerstören. Diese Netzrückwirkungen können mit Spannungsqualitätsanalysatoren aufgespürt und dokumentiert werden.

Ethernet-Modbus-Gateway

Über das Ethernet-Modbus-Gateway lassen sich Modbus-RTU-Geräte, die als Slaves an das Master-Gerät angebunden werden, sehr einfach in eine Ethernet-Architektur einbinden. Bei Geräten mit identischem Dateiformat und übereinstimmenden Funktionscodes ist dies direkt über die Modbus-RTU-Schnittstelle möglich.

Reporting

Ein wichtiger Bestandteil der Netzanalyse ist die Reportgenerierung der GridVis®. Sie liefert eine schnelle und überschaubare Darstellung über die Spannungsqualität in definierten Zeiträumen. Die Spannungsqualitätsreporte orientieren sich an internationalen Normen (EN 50160, EN 61000-2-4, IEEE 519 usw.). Neben den PQ-Reporten sind Energieverbrauchsreporte von hohem Nutzen für den Anwender. Generierung und Versand können automatisch nach frei definierbaren Zeitplänen erfolgen.

Alarmmanagement

Das Alarmmanagement der GridVis® überwacht sämtliche durch die UMG-Messgeräte gewonnenen Messparameter. Es umfasst Eskalationsmanagement, Logbuchfunktion und Benutzerverwaltung für individuelle Benachrichtigungen per Mail, Popup-Window am Monitor usw.
Neben der Überwachung von Effektivwerten können auch Kurzzeitunterbrechungen und Transienten, aber auch die Kommunikation zu den Messgeräten überwacht werden.

Grafisch aufbereitete Darstellungen auf der geräteeigenen Homepage ohne zusätzliche Softwareinstallation.



Vorteile

  • Zugang zur leistungsfähigen Geräte-Homepage über Webbrowser
  • Ständige Verfügbarkeit der Messdaten
  • Keine Softwareinstallation notwendig
  • Onlinedaten, historische Daten u.v.m. direkt über die Geräte-Homepage abrufbar
  • Funktionserweiterung durch APPs möglich
  • Fernbedienung des Gerätedisplays über die Homepage
  • Integrierte PQ-Watchdogs
  • Hyperlinks liefern detailliertere Informationen
  • Integrierter Messwertmonitor
  • Übersicht über Ereignisse und Transienten im Netz
  • Komfortable Auswahl des Berechnungsmodus zur Anzeige der Messdaten nach Norm IEC 61000-2-4 oder EN 50160 (Gilt für das UMG 605-PRO und UMG 512-PRO)


APPs

APPs – Smarte Funktionserweiterungen direkt „on Board“

Mit Hilfe von APPs werden die Janitza-Messgeräte um neue Funktionen erweitert. Alle APPs können mit dem Geräte-Manager (Bestandteil der GridVis®) und über Ethernet angeschlossene Geräte übertragen werden – auf nur ein Gerät oder simultan auf mehrere Messgeräte.

Janitza stattet die PRO-Serie mit APPs aus, um die Leistungsfähigkeit der Messgeräte zu erhöhen. Durch die Verbindung der Messgeräte, APPs und Software sind die Messdaten leichter interpretierbar und stehen dem Nutzer jederzeit und an jedem Ort zur Verfügung. Zeit- und kostenintensive manuelle Berechnungen werden somit vermieden.

Die APPs erweitern z.B. die Analyse- und Visualisierungswerkzeuge, mit denen Spannungsereignisse in Anlehnung an „IEC 61000-2-4“ analysiert und auf der geräteeigenen Homepage wiedergegeben werden können. Einfache Darstellungsmöglichkeiten (z.B. Ampelfunktion) machen Fehler frühzeitig sichtbar. So kann zeitnah eingegriffen und Betriebsprozesse können unterbrechungsfrei fortgeführt werden.

Zudem ist es möglich, weitere Funktionsmodule zu implementieren, die Grenzwerte überwachen und Störmeldungen per E-Mail versenden.


Technische Daten

Kommunikation

  • Protokolle: Profibus (DP/V0)
  • Modbus (RTU, TCP, Gateway)
  • TCP/IP
  • BACnet (optional)
  • HTTP (Homepage)
  • FTP (File-Transfer)
  • SNMP
  • TFTP
  • NTP (Zeitsynchronisierung)
  • SMTP (E-Mail-Funktion)
  • DHCP

Schnittstellen

  • Ethernet
  • Profibus (DSUB-9)
  • RS485 Modbus (Klemmleiste)

Messgenauigkeit

  • Arbeit: Klasse 0,2S (... / 5 A)
  • Strom: 0,2 %
  • Spannung: 0,1 %

Geräteeigene Homepage

  • Detaillierte Onlinemesswerte ohne Softwareinstallation
  • Erweiterung durch optionale APPs

Spannungsqualität

  • Oberschwingungen bis zur 63sten Harmonischen
  • Kurzzeitunterbrechungen (ab 20 ms)
  • Transientenrekorder (> 50 μs)
  • Einschaltströme (> 20 ms)
  • Unsymmetrie

Netze

  • IT-, TN-, TT-Netze
  • 3- und 4-phasige Netze
  • Bis zu 4 einphasige Netze

Messdatenspeicher

  • 256 MByte Flash
  • 32 MB SDRAM

SPS-Funktionalität

  • Grafische Programmierung
  • Jasic® -Programmiersprache
  • Grenzwerte programmieren usw.

2 digitale Eingänge

  • Impulseingang
  • Logikeingang
  • Zustandsüberwachung
  • HT / NT-Umschaltung

2 digitale Ausgänge

  • Impulsausgang kWh / kvarh
  • Schaltausgang
  • Grenzwertausgang
  • Logikausgang

Temperaturmesseingang

  • PT100, PT1000, KTY83, KTY84

RCM – Residual Current Monitoring

  • 2 Differenzstromeingänge

Netzvisualisierungssoftware

  • Kostenfreie GridVis®-Basic

Eigenschaften
Typ: UMG
Schnittstelle: BACnet (optional), DHCP, Ethernet, FTP (File-Transfer), HTTP, Modbus-Gateway, Modbus RTU, Modbus TCP/IP, NTP (Zeitsynchronisierung), SMTP (E-Mail), SNMP, TCP/IP, TFTP
Speicher: 32 MB SDRAM, 256 MB Flash