Abbildung ähnlich
Art-Nr.: SWMU-31-51
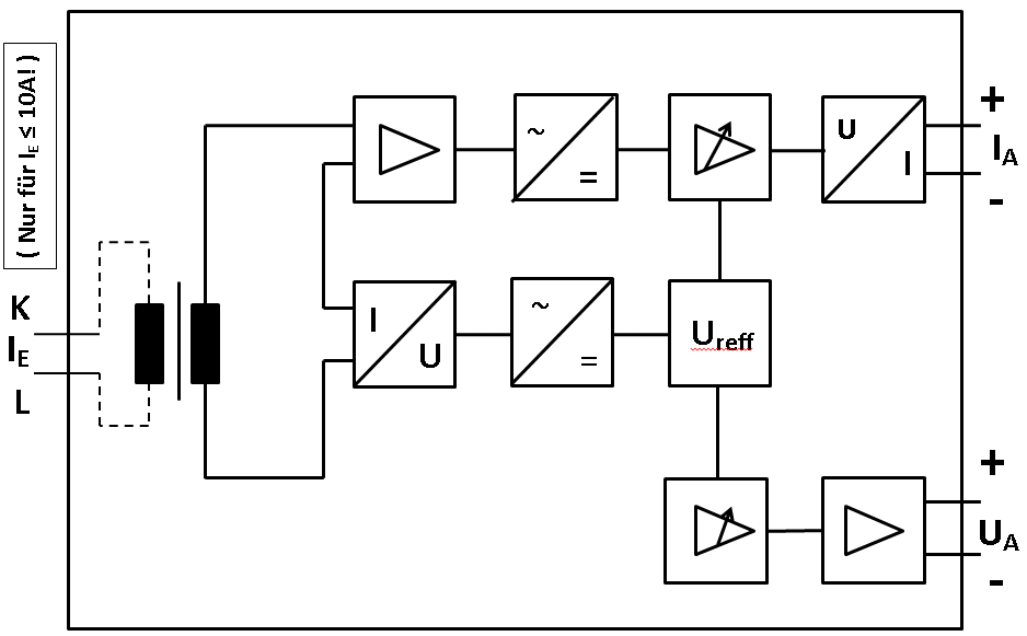
SWMU 31.51 - Stromwandler mit integr. Messumformer
Produktinformationen
3D Modelle und weitere Dateien zu jeweiligen Produkten finden Sie auch in unserem
Downloadbereich
| Eigenschaften |
|---|
| Typ: | SWMU 31.51 |
|---|---|
| Durchführung: | Ø 28 mm |
| Genauigkeitsklasse: | 0,5 |
| Breite: | 80 mm |