Abbildung ähnlich
Art-Nr.: 00000-90060-00100
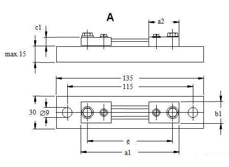
Nebenwiderstand / Shunt 150 mV (Bauform A) ohne Messing 100 A
Produktinformationen
| Eigenschaften |
|---|
| Typ: | NW-1 |
|---|---|
| Bauform: | A |
| Material: | Messing |
| Genauigkeitsklasse: | 0,5 |